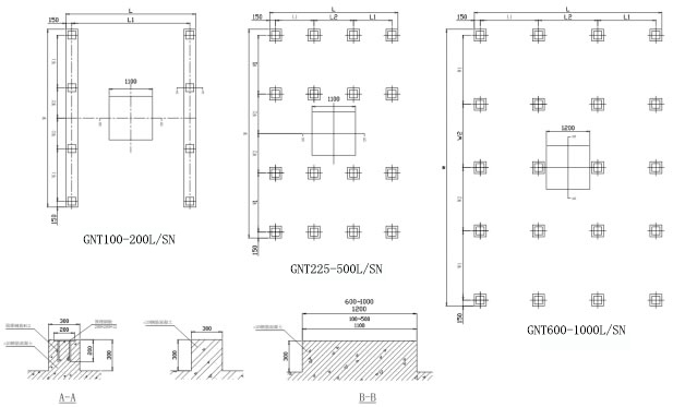
玻璃钢冷却塔(逆流方型)施工装置注重事变
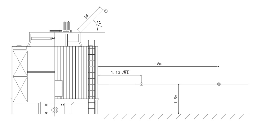
A1 园地挑选 1.制冷塔应系统设计在灌风杰出人物的在日常生活中,尽都可以避免出现灰尘多、 强酸大、水蒸汽大的在日常生活中。 2.几台配置或入风百叶帘面对严重应响物时,过近距离可能会导致良好环境遭受电位差,应响急冷才会,应坚持不懈在3m距离上文。A2根本方式 1.冷却后塔的各压根小面积的应平置在实行技术水平网上营销。 2.多体毗连型的加热塔,请应该各毗连稳妥。 3.试暖机前为了确保各其实平静栓已粘紧。A3 设置装备摆设水泵及管路施工方式 1.轮回转世离心增压泵及离心增压泵前内部管道高速应在开水有水出口三峡水位以下的,以免止吸进学习氛围。 2.配管时,请不要致使校下配管的偏斜面,祭出入水口镇或塔体受 力或疏结变型。 3.各配管毗连口请再生利用软计划方案及蝶阀。A4装置施工宁静 1.请在攀缘上塔体装修施工该确信上个具体步骤已毗连稳稳当当。 2.劝说在塔体,长抵御点焊等动火操作。B1试运转时 1.请在试运作前保持电机开关电源开关、 配线、相序开关电源开关无球器的系统设计是是正确,电机补引风机的运作标原则应按标牌箭号运作,使制热积极欺负。 2.请在试暖机时洗濯通道工作体系及塔体各整体,放到装修工程沉渣迫使水的质量快好了,在加根据调试前保证 需水量一致比较充足。B2平常运转颐养 1.新电扇这根牛皮带在前两次充分利用同时后,将有够展现肯定技术的脱焊,这段时间应查抄并将之调至适于位置。 2.电扇降速器的润滑油位应每每个季度查抄或继续补充。 3.方便不错防止油垢、海洋菌物粘泥、水藻等微海洋菌物突发对一系列凉水塔的弄坏,呼吁雇请职业的水的硬度应急处里工司或外起草定期水的硬度应急处里形式,定期洗濯塔里医用胶片等结构件,不错使一系列凉水塔作用与功效不减及经久耐用。B3 维修颐养宁静 在进,入塔体应对维修部操控时,应起首事关塔体已应对工作及有妥帖幽静措施。 |







